images/testate/header-valvole-farfalla.jpg

Item 385-386-387蝶阀

Item 385-386-387蝶阀
蝶形阀

可装配“Lug”型法兰的铸铁蝶阀

ITEM 385

阀体:铸铁
蝶板:铸铁
密封件材质:参见图表
ITEM 386

阀体:铸铁
蝶板:AISI 316
密封件材质:参见图表
ITEM 387

阀体:铸铁
蝶板:铜铝合金
密封件材质:参看图表

配置 动力
申请详细信息
打印页面
  • 优点
  • 特性
  • 特性
  • 物料
  • 图表和起动扭矩
  • 规格
  • 文档

1. EN ISO 5211标准化阀头
易于与任何驱动器耦合

2.轴上的三个导向衬套

轴与主体完美对准,即使在高压下也可避免振动
减少轴与主体之间的摩擦

3.刚性环上的硫化密封
垫片在使用过程中变形较小
密封件的组装/拆卸便于任何维护
组装过程中垫片在法兰之间不变形
成型阶段的尺寸精度更高

4. 2件式轴,无紧固件

便于进行任何维护的镜头的组装/拆卸
与单轴阀相比,由于阀瓣的中心部分更薄,因此具有更高的Kv

5.镜面抛光的周长
更好的密封和更少的垫圈磨损
圆盘和垫圈之间的摩擦较小,因此扭矩较小

材料种类繁多
在不同应用上使用的可能性

通过ATEX认证
允许安装在潜在爆炸性环境中

通过PED认证
完全符合压力设备的欧洲安全标准

常规参数:
OMAL精心研究并制造的蝶阀分为Wafer和Lug系列,尺寸介于DN40~DN600之间(Lug DN300),可应对各工业领域中的绝大多数应用需求。

  • 满足UNI EN593的常规要求;
  • 满足EN558-20系列的标准化阀轴;
  • 密封件满足EN 12266-1等级A的规定,压差可达16bar。
  • 借助硫化工艺使弹性体覆盖在硬质支撑环上形成的半刚性整体密封件。
  • 密封件的几何构造能够更佳地贴合阀体,且法兰密封件无需额外增加元件。法兰的紧固度不会影响阀门的驱动扭矩和运行状态。
  • 蝶阀的边缘抛光处理可以增强密封性,降低操纵扭矩的同时显著降低密封件的磨损。
  • 阀轴引导套。
  • 阀轴-蝶板之间的接合采用无紧固件(螺栓、螺钉、销钉等)的双轴连接,可减少磨损和破损风险。
  • 此外,这一结构亦简化了拆解维护或清洁的流程。
  • 阀门颈采用EN ISO5211标准化方案,可连接任意类型的驱动装置(气动、电动和手动等)。
  • 所有组件均经过合理适配,确保阀门可以完全兼容工业处理过程中使用的流体。
  《产品目录》中所列示的产品数据和参数可能因后续的技术优化而发生改变,恕不另行告知且不受到供应合同的约束

标准配置:
• 尺寸范畴:DN40至DN300,PN10-PN16。
• 标准法兰接埠:PN10=PN16:DN40至DN150; PN10或PN16:DN200至DN300。
• PN16可选装DN200至DN300。
• 满足UNI EN593的常规要求。
• EN 558-20系列标准化面到面尺寸
• ISO 5211标准阀门端头
• 密封性符合EN 12266-1等级A
• 其他组合需选装。
• 装配不同密封件下的使用温度:
EPDM:-25℃~+135℃~;
NBR:-23℃~+82℃~;
FKM:-10℃~+190℃;
PTFE(EPDM基底):-25℃~+135℃
• 法兰间使用压力:PN16 bar:DN40至DN150;PN10或PN16 bar:DN200至DN300。
• 环氧树脂层厚度:160~200μmRAL:5015

选装配置:

• 装配特殊材质密封件下的使用温度:
硅料:-25℃~+160℃~;
NBR CARBOX:-10℃~+82℃~;
食品类流体专用的白色NBR:-23℃~+82℃;
HNBR:-20℃~+120℃
• 其他应用领域敬请咨询我司的销售部门。

认证:

符合欧盟《2014/68/UE》加压装置条例。
• 可燃性气体(V386)DVGW认证。
• RINA认证。
• 适用于自来水和食品类流体(V386),满足意大利共和国《第174号部级法令》的合规声明。
• 可选装符合欧盟《2014/34/UE》ATEX防爆条例的型号。
• 可选装ATEX认证型号  (仅适用于带PTFE垫片的阀门,最大DN200).

尺寸规格
尺寸
PN
A
B
ØC
ØD
ØE
ØF
ØG
ØI
P
Q
R
S
ØT
U
ØZ

DN [mm]
[inch]
DN 40
1"1/2
10-16
33
36
50
70
6,5
8,5
9
110
70
125
31
9
14,2
118
M16
4
DN 50
2"
10-16
43
46
50
70
6,5
8,5
9
125
80
140
31
9
14,2
125
M16
4
DN 65
2"1/2
10-16
46
49
50
70
6,5
8,5
11
145
86
152
33
11
14,2
139
M16
4
DN 80
3"
10-16
46
49
50
70
6,5
8,5
11
160
95,5
159
33
11
14,2
184
M16
8
DN 100
4"
10-16
52
56
50
70
6,5
8,5
11
180
108
178
33
11
14,2
204
M16
8
DN 125
5"
10-16
56
59
70

8,5

14
210
124,5
190,5
36
14
19
230
M16
8
DN 150
6"
10-16
56
59
70

8,5

14
240
137
203
36
14
19
266
M20
8
DN 200
8"
10
60
64
70

8,5

17
295
166
238
39
17
22,2
318
M20
8
DN 250
10"
10
68
72
102
125
11
13
17
350
199
268
50
17
28,5
395
M20
12
DN 300
12"
10
78
81,5
102
125
11
13
22
400
234
306
55
22
28,5
448
M20
12
DN 200
8"
16
60
64
70

8,5

17
295
166
238
39
17
22,2
329
M20
12
DN 250
10"
16
68
72
102
125
11
13
22
355
199
268
55
22
28,5
395
M24
12
DN 300
12"
16
78
81,5
102
125
11
13
22
410
234
306
55
22
28,5
448
M24
12

手柄技术参数

具有10位置齿轮调整功能的手柄:
材质:铝制;
外表面处理:涂漆(聚酯材料);
重量:0.3 KG~0.9 KG。
各位置可锁止。

尺寸规格   
尺寸
A
B
øC
D
Kg
DN [mm]
[inch]
DN 40
1" 1/2
188
70
90
160
2,5
DN 50
2"
203
80
90
160
3,4
DN 65
2" 1/2
225
86
90
220
4,3
DN 80
3"
230
95,5
90
220
5,5
DN 100
4"
250
108
90
220
6,6
DN 125
5"
277
124,5
90
350
9
DN 150
6"
290
137
90
350
11,4
DN 200
8"
325
166
90
350
17,5

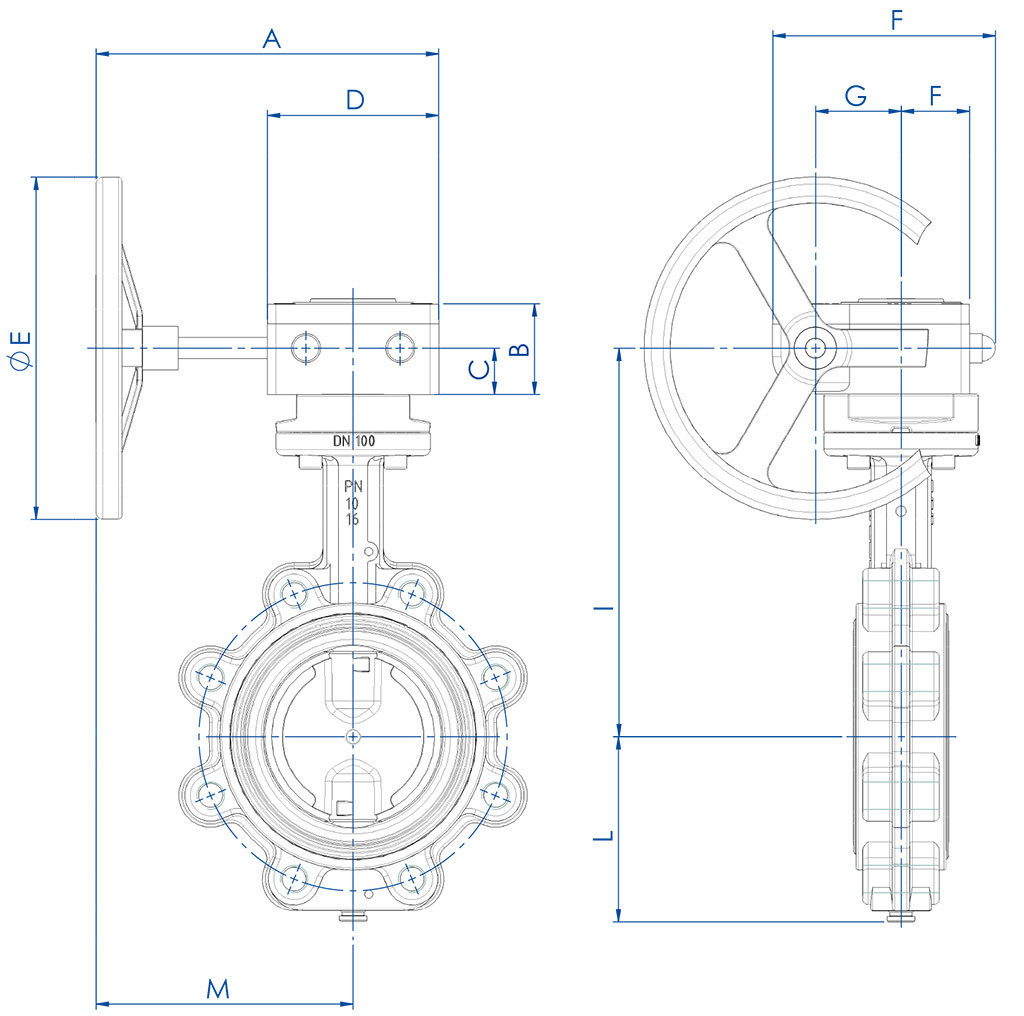
变速器技术参数
采用实验理念的机械构造,通过小齿轮和蜗杆进行传动。
可视化定标圈可以显示阀门的位置。
“RF0”变速器采用铝合金保护壳,“RRM...”变速器采用铸铁保护壳。
铸铁小齿轮。
特种钢材质蜗杆。
钢制手轮。
外表面采用环氧树脂涂装。

尺寸规格
尺寸规格
PN
A
B
C
D
ØE
F
G
H
I
L
M
Kg
DN [mm]
[inch]
DN 40
1"1/2
10-16
200
49
24
80
140
115
42
35
171,2
70
160
3,6
DN 50
2"
10-16
200
49
24
80
140
115
42
35
185,9
80
160
4,5
DN 65
2"1/2
10-16
200
54
27
100
200
130
50
40
201,6
86
150
5,9
DN 80
3"
10-16
200
54
27
100
200
130
50
40
208
95,5
150
7,1
DN 100
4"
10-16
200
54
27
100
200
130
50
40
227
108
150
8,2
DN 125
5"
10-16
200
54
27
100
200
130
50
40
239,7
124,5
150
10,2
DN 150
6"
10-16
200
54
27
100
200
130
50
40
252,4
137
150
12
DN 200
8"
10
250
70,5
40,5
140
300
175
60
60
300,7
166
180
21,6
DN 250
10"
10
250
70,5
40,5
140
300
175
60
60
342
199
180
29,8
DN 300
12"
10
250
70,5
40,5
140
300
175
60
60
380
234
180
45,1
DN 200
8"
16
250
70,5
40,5
140
300
175
60
60
300,7
166
180
21,6
DN 250
10"
16
250
70,5
40,5
140
300
175
60
60
342
199
180
29,8
DN 300
12"
16
250
70,5
40,5
140
300
175
60
60
380
234
180
45,1

材质    
1
阀体
A536 65-45-12 (GGG50) ( 相当与 EN-GJS-450-10 EN-JS 1040)
2
镜头
A536 65-45-12 (GGG50) - A351 CF8M (316 S.S.)
3*
垫圈
EPDM-NBR
4
传动轴
A276 S42000 (420 S.S.) (相当与  X20CR13; 1.4021)
5
下传动轴
A276 S42000 (420 S.S.) (相当与  X20CR13; 1.4021)
6*
下O形圈
EPDM-NBR (FKM 仅在特殊情况下)
7*
上套箍
环氧树脂
8*
套箍
DN40至DN300尺寸为PTFE环氧树脂,DN350至DN600尺寸为青铜
9*
弹性销
不锈钢
10*
O形圈 传动轴
EPDM-NBR
KGF更换套件的详细信息。
 其他材料可应要求提供。对于这些和其他需求,请咨询我们的办公室。

阀体
DN40 - 600
铸铁 A536 65-45-12*
环氧涂料
RAL 5015*


不锈钢 A276 S4200 *
不锈钢 A564 TP 630

镜片
DN40 - 600
铸铁A536 65-45-12*
化学镀镍

不锈钢 A351-CF8M (316 S.S.)*
不锈钢 X A351-CF3M (316 S.S.) 抛光

青铜/铝 B148C95400 *

*Standard OMAL supply

垫圈

DN40 - 600
EPDM*
NBR*
DN40 - 300
FKM*
PTFE ON EPDM*

NBR 白色
NBR 水白色
HNBR
NBR CARBOX

材料使用指南
材质
功能
应用
铸铁 A536 65-45-12
机械阻力可与钢媲美
工作温度: 从 -25°C 到 +250°C.
一般用途
通常用于身体和蝴
青铜/铝
良好的耐腐蚀性
腐蚀性液体,海水
RILSAN 涂料
很好的耐腐蚀性
一般用途
通常用于身体和蝴蝶
A351-CF8M不锈钢
很好的耐腐蚀性
食品,化工,制药电路等
EPDM
T工作温度:-25°C至+ 135°C
不建议用于碳氢化合物
水(软化,工业,乙二醇,海水),水蒸气,臭氧,稀释的碱和酸,丙酮溶剂,酒精,苛性钠,常压剂
NBR
良好的机械性能(耐磨性),对矿物油,某些碳氢化合物和脂族溶剂的良好耐受性工作温度:-23°C至+ 82°C。不建议与丙酮,酮,硝酸盐和氯代烃一起使用。
一般服务,压缩空气,冷水,液压油,甲烷,丁烷,油,海水,用于气动输送的研磨回路,动物脂肪和植物
NBR
良好的机械性能(耐磨性),对矿物油,某些碳氢化合物和脂族溶剂的良好耐受性
工作温度:-23°C至+ 82°C。不建议与丙酮,酮,硝酸盐和氯代烃一起使用.
一般服务,压缩空气,冷水,液压油,甲烷,丁烷,油,海水和用于气动输送的研磨回路.
NBR 白色的饮用水
根据并符合法律法规,专门配制成供人类饮用的水使用2004分之174.
工作温度:-23°C至+ 82°C。不建议与丙酮,酮,硝酸盐和氯代烃一起使用.
一般服务,压缩空气,冷水,液压油,甲烷,丁烷,油,海水和用于气动输送的研磨回路.
NBR CARBOX
良好的机械性能(耐磨性),良好的耐油性
具有某些碳氢化合物和脂肪族溶剂的矿物
工作温度:-10°C至+ 82°C。不建议与丙酮一起使用, 与酮,硝酸盐和氯代烃.
研磨液和粉末
HNBR
优异的机械性能(耐磨性),对某些烃和脂族溶剂的矿物油具有良好的耐受性
工作温度:-20°C至+ 120°C。不建议与丙酮一起使用,
与酮,硝酸盐和氯代烃。
一般服务,压缩空气,冷水,液压油,甲烷,丁烷,油,海水和用于气动输送的研磨回路。
FKM
极佳的抵抗力:耐热,耐光,耐大气腐蚀剂,重氮溶剂。气体不可渗透。不建议用于蒸汽和沸水。工作温度:-10°C至+ 190°C。
橄榄(不含丙酮),固体烃,含氧燃料,酸,碱,液压油,油。
高温硅胶
对过热的水和蒸汽(高达150°)具有非常好的抵抗力
工作温度:-25°C至160°C.
热空气或惰性气体(最高+ 180°C),食品工业,水,蒸汽
PTFE ON EPDM
对溶剂和腐蚀性产品具有很好的耐化学性。不建议用于研磨液,碱金属(钾,钠),气态氟。工作温度:-25°C至+135°C。
食品和化学工业具有高腐蚀性产品。
注意: 上表显示了OMAL为您提供的每种材料的特定特性以及随之而来的特定应用。然而,在异常情况下(例如特殊安装,与特殊流体接触,异常压力和温度条件等),影响腐蚀和磨损的因素的变化会改变材料的性能。无论如何,我们提醒您,材料的最终选择取决于客户,我们的技术部门将很乐意检查您的任何需求

起动扭矩(Nm) 
尺寸
DN 40 1"1/2
DN 50
2"
DN 65 2"1/2
DN 80
3"
DN 100
4"
DN 125
5"
DN 150
6"
DN 200
8"
DN 250
10"
DN 300
12"

PN 10 bar
15
15
17
19
27
36
54
109
145
218
PN 16 bar
18
18
25
27
35
52
72
142
170
250


扭矩值可能因温度和流体类型的影响而出现变化。纳入考虑的安全因子为1.4。
在频繁开闭的循环条件下,操纵扭矩可能会略低于初始扭矩。后文中列示的执行器/阀门装配以平均温度下截止洁净的液体或气体时为准。欲了解详情或其他应用方式,请联络我司的技术部门。

负载流量图

示例:搜索压降和速度,以获得0.1 m3 /秒的水流速。在6英寸直径的阀门中
(DN 150),打开角度为90°。
1)确定阀门流量和直径线的交汇点。
2)从这一点开始,垂直向上直到遇到90°线,然后从找到的新点开始画一条水平线直至压力降刻度,从而找到所需的值(0.038 bar)。
3)从点1开始,在速度刻度上垂直下降,我们可以读取流体速度值(5 m /秒)。

组装说明

法兰之间的距离必须允许引入阀门,而垫圈不会干扰法兰。在操作过程中,蝴蝶必须处于半关闭位置。

将阀门安置在法兰之间,紧固螺帽之前应将蝶阀操纵至全开位置。否则在关闭阀门时,可能会导致密封件损坏或永久变形。

错误组装的示例:法兰未充分打开,垫圈可能会变质。

OMAL蝶阀安装在管道的法兰之间,没有额外的密封圈,并通过拉杆和固定螺钉居中。法兰直径必须符合指示的值。
D0允许容纳阀的法兰的最小直径(在完全居中的阀的情况下)
D1最大法兰直径,可实现最佳使用
D2减压下使用的法兰的最大可能直径。在这种情况下或有任何需要,请与我们的技术办公室联系以进行任何澄清。

 FLANGE 规格尺寸  
直径
DN 40
DN 50
DN 65
DN 80
DN 100
DN 125
DN 150
DN 200
DN 250
DN 300
DN 350
DN 400
DN 450
DN 500
DN 600
D0 [mm]
30
36
51
67
93
119
143
196
247
297
329
376
426
475
573
D1 [mm]
45
57
69
82
107
133
154
206
257
310
338
390
441
492
596
D2 [mm]
51
68
80
93
116
148
170
221
276
327
346
399
450
500
602

配置 驾驶
选择搜索参数
搜索文章
X 关闭

下一新闻

Hyvolution 2026
Hyvolution 2026
Paris, France - 27-29 january 2026