images/testate/Template-Header-Sito-OMALBALLVALVES.jpg

SUPREME Trunnion球阀

  • 优点
  • 特性
  • 特性
  • 组件
  • 尺寸和配件
  • 驾驶信息
  • 文档

DN ≤ 100 SIZE ≤ 4” – ANSI 150-300

1.抗静电装置(球体,茎部与身体之间的电气连续性)
避免在易燃和/或爆炸性环境中可能引起着火的静电电荷
在阀门的整个使用寿命中保证接触安全

2.双减摩环
确保较低的阀门致动扭矩
比单环版本磨损少

4.阀杆密封件上的贝氏垫圈

它们可确保由于轴的半旋转运动引起的磨损而恢复间隙,避免了外部损失
它们使您可以在“雪佛龙”(V形)密封件保持通电状态,避免在温度变化较大时泄漏到外部

5.弹性石墨密封
无论阀门承受何种温度变化,它都能保证向外密封

一次定位即可完成从生到成品的加工,从而提高了轴的对准精度
阀门本身寿命更长
驱动力矩小

碳钢阀体采用标准的NACE认证材料制成,可按标准执行
确保更大的耐腐蚀性
材料的延展性更高

生产过程完全在OMAL中进行
在加工的所有阶段进行最大程度的控制
能够快速提供客户要求的特殊执行

“防火”证书
即使在着火的情况下也能保证阀门的密封性

通过ATEX认证
允许安装在潜在爆炸性环境中

“TA LUFT逃逸排放”认证
它确保了杆密封件向外的高度安全性

通过PED认证
完全符合压力设备的欧洲安全标准

通过SIL 3认证
高功能安全性

DN ≤ 100 SIZE ≤ 4” – ANSI ≥ 600

1.双减摩环
确保较低的阀门致动扭矩
比单环版本磨损少

2.双滚珠导套
它们降低了阀门的扭矩

抗静电装置(球体,茎部与身体之间的电气连续性)
避免在易燃和/或爆炸性环境中可能引起着火的静电电荷
在阀门的整个使用寿命中保证接触安全

弹性石墨密封
无论阀门承受何种温度变化,它都能保证向外密封

碳钢阀体采用标准的NACE认证材料制成,可按标准执行
确保更大的耐腐蚀性
材料的延展性更高

“防火”证书
即使在着火的情况下也能保证阀门的密封性

通过ATEX认证
允许安装在潜在爆炸性环境中

通过PED认证
完全符合压力设备的欧洲安全标准

通过SIL 3认证
高功能安全性

DN ≥ 150 SIZE ≥ 6”

1.双减摩环
确保较低的阀门致动扭矩
比单环版本磨损少

2.双滚珠导套
它们降低了阀门的扭矩

抗静电装置(球体,茎部与身体之间的电气连续性)
避免在易燃和/或爆炸性环境中可能引起着火的静电电荷
无论阀门承受何种温度变化,它都能保证向外密封

弹性石墨密封
无论阀门承受何种温度变化,它都能保证向外密封

碳钢阀体采用标准的NACE认证材料制成,可按标准执行
确保更大的耐腐蚀性
材料的延展性更高

“防火”证书
即使在着火的情况下也能保证阀门的密封性

通过ATEX认证
允许安装在潜在爆炸性环境中

通过PED认证
完全符合压力设备的欧洲安全标准

通过SIL 3认证
高功能安全性

逃逸排放认证
它确保了杆密封件向外的高度安全性

常规配置
• 两片或三片结构阀体
• 弹力密封阀座
• 阀体过压时自动泄压
• 双关&双泄放阀
• 压力等级:ANSI 150~ANSI 2500
• 应用领域:化学和石化设施、电力中控装置及其他用于液体、气体、蒸汽和碳氢化合物处理工业领域
• 防喷溅阀杆

选装特殊配置

• 双效活塞
• 特殊配置的材质和工艺能够满足客户要求
• 可选装ATEX标识和认证

认证

• 符合欧盟《2014/68/UE》加压装置条例。
• 符合欧盟《2014/34/UE》ATEX防爆条例。(可选装ATEX认证型号)。
• 安全等级最高可达SIL 3,符合IEC 61508的规定。
• 防火安全 EN ISO 10497- API607
• 挥发性排放标准 UNI EN ISO 15848

设计标准

• ASME B16.34
• 接口:ASME B16.5 (RF-RTJ), ASME B16.25 (BW)
• 阀轴:ASME B16.10
• 动力装置法兰:ISO5211
• Design API 6D on request.

DN≤100 尺寸 ≤4” ANSI 150-300

DN≤100 尺寸 ≤4” ANSI ≥600

DN ≥150 尺寸 ≥6”

ANSI 150DN尺寸
LØEØGAØC
502"1785115267*146*
803"2037619090190
1004"229102230111240
1506"394152280232316
2008"457203345286400
25010"533254408324475
30012"610305484355*580*
35014"686337536402*626*
40016"762386397441*700*
45018"864438636484*779*
50020"914489*694560*900*
60024"1067591*814620*1020*

ANSI 300DN尺寸
LØEØGAØC
502"2165116567*156*
803"2827621090200
1004"305102255111240
1506"403152320236324
2008"502203382286408
25010"568254446324475
30012"648305522355*580*
35014"762337585402*626*
40016"838386649504*770*
45018"914438712484*779*
50020"991489*776560*900*
60024"1143591*915620*1020*

ANSI 600DN尺寸
LØEØGAØC
502"29251165160*189*
803"35676210191210
1004"432102275218279
1506"559152355263355
2008"660203420304430
25010"787254510352520
30012"838305561402*620*
35014"889337604416*655*
40016"991386687450*730*
45018"1092438744515*810*
50020"1194489*814588*955*
60024"1397591*941645*1070*

ANSI 900DN尺寸
LØEØGAØC
502"36851215120*189*
803"38176242204240
1004"457102293218279
1506"610152382263355
2008"737203471304430
25010"838254547352520
30012"965305612452660
35014"1029322640460*700*
40016"1130373706485*760*

ANSI 1500DN尺寸
LØEØGAØC
502"36851215140*189*
803"47076268225270
1004"546102312240*300*
1506"705146395285*390*
2008"832192485340*460*
25010"991239585390*555*

ANSI 2500DN尺寸
LØEØGAØC
502"45142235160219
803"50863305241318
1004"67387357
253335
1506"914131485340500

* 指示高度

  • DN≤100 尺寸 ≤4” – ANSI 150-300
  • DN≤100 尺寸 ≤4” – ANSI ≥600
  • DN ≥150 尺寸 ≥6”

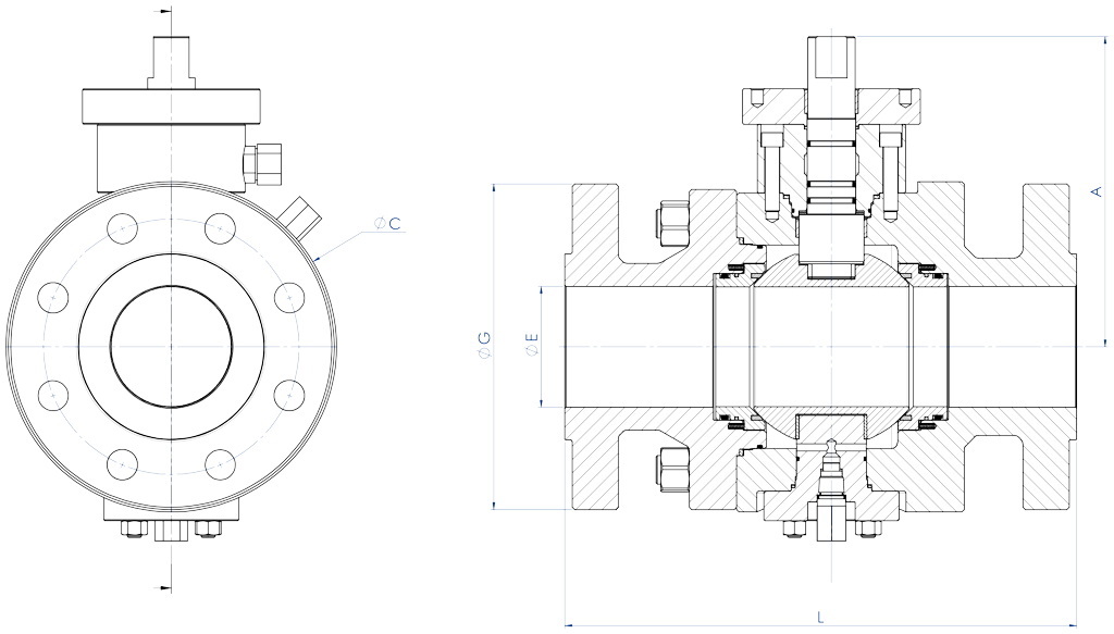
DN≤100 尺寸 ≤4” – ANSI 150-300

1.阀体
2.法兰接口
3.球体
4.阀杆
5.阀座
6.阀座架
7.下封盖
8.阀体O形圈
9.阀体密封垫
10.阀座架O形圈
11.支承环
12.阀座密封垫
13.阀座预紧弹簧
14.双头螺栓
15.螺母
16.抗磨环
17.内杆螺母
18.密封套件
19.密封顶环
20.碟型弹簧
21.内杆螺母
22.阀杆螺帽锁止件
23.下封盖螺栓
24.下封盖密封垫
25.下封盖O形圈
26.排放塞

DN≤100 尺寸 ≤4” – ANSI ≥600

1.阀体法兰接口
3.球体
4.阀杆
5.阀座
6.阀座架
7.上封盖
8.法兰
9.下封盖
10.阀体密封垫
10.阀体O形圈
12.防静电装置弹簧
13.阀座预紧弹簧
14.支承环
15.阀座O形圈
16.阀座密封垫
17.双头螺栓
18.螺母
19.球体衬垫
20.抗磨环
21.内杆螺母
22.上封盖O形圈
23.上封盖密封垫
24.上封盖定位杆
25.防火安全/防静电装置密封垫
26.上封盖螺栓
27.内杆螺母
28.法兰螺栓
29.阀体定位杆
25.球体衬垫
31.下封盖O形圈
32.下封盖密封垫
33.双头螺栓/下封盖螺栓
34.螺母
35.排放阀
36.内杆螺母
37.润滑口/排放阀O形圈
38.润滑口/排放阀密封垫


DN ≥150 尺寸 ≥6”

1.阀体
2.法兰接口
3.球体
4.阀杆
5.阀座
6.阀座架
7.上封盖
8.法兰
9.支撑板
10.阀体密封垫
11.阀体O形圈
12.阀座预紧弹簧
13.阀座架O形圈
14.支承环
15.阀座架密封垫
16.双头螺栓
17.螺母
18.球体衬垫
19.止推瓦
20.支承板定位杆
25.抗磨环
22.上封盖O形圈
23.上封盖密封垫
24.内杆螺母
25.防火安全/防静电装置密封垫
26.上封盖螺栓
27.内杆螺母
28.法兰螺栓
29.阀体定位杆
25.举升凸耳
31.支承脚座
32.阀体定位杆
33.内杆螺母
34.排放阀
35.润滑口/排放阀O形圈
36.润滑口/排放阀密封垫
37.防静电装置

尺寸和附件

DN

50
80
x
65
80
100
x
80
100
150
x
100
150
200
x
150
200
250
x
200
250
300
x
250
300
350
x
250
350
400
x
300
400
450
x
350
450
500
x
400
500
600
x
500
600
尺寸

2"
3"
x
2"1/2
3"
4"
x
3"
4"
6"
x
4"
6"
8"
x
6"
8"
10"
x
8"
10"
12"
x
10"
12"
14"
x
10"
14"
16"
x
12"
16"
18"
x
14"
18"
20"
x
16"
20"
24"
x
20"
24"
ANSI 150
A























B























C























D























E























F
























ANSI 300
A























B























C























D























E























F
























ANSI 600
A























B























C























D























E























F
























ANSI 900
A























B























C























D























E























F
























ANSI 1500
A























B























C























D























E























F
























ANSI 2500
A























B























C























D























E























F
























A) 阀杆润滑口
B) 阀体塞/下封盖
C) 阀体排放阀/下封盖
D) 阀座润滑口
E) 举升凸耳
F) 支承脚座

附件

A. 阀杆润滑口

B. 阀体塞/下封盖

C. 阀体排放阀/下封盖

D. 阀座润滑口

手动手柄

手动变速器

气动执行器

集成手动装置的气动执行器

重载气动执行器

X 关闭

下一新闻

Hydrogen Technology Expo - Europe 2025
Hydrogen Technology Expo - Europe 2025
Hamburg Messe, Germany, 21 - 23 october 2025